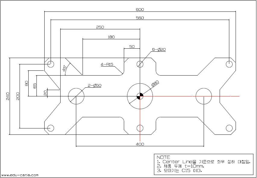
Sketcher ¿¹Á¦ Solid #10